Высота смесителя в ванной от пола стандарт
Работы по устройству комнаты для водных процедур обычно учитывают такую важную стадию, как установочный процесс смесителя – одного из главных частей комнаты, где будут организовываться водные процессы. Важно помнить, что высота смесителя над ванной обязательно обязана быть верной — тогда снаружи конструкция будет глядеться красиво и брызг при набирании воды или при умывании будет ниже.
Есть ли правила монтажа для такого устройства, какой обязана быть рядовая возвышенность устройства над ванной и в душе и какие главные стадии установочных работ – это главные вопросы, интересующие людей при установлении смесителя.
Содержание
- Типы механизмов
- Как должен размещаться в соответствии с нормативными строительными актами
- Целевое применение смесителя
- Как верно посчитать высоту установки
- Высота установления смесителей
- Как прикрепить
- Важные моменты
Типы механизмов
Сегодня есть три типа смесителей: устройства-елочки, однорычажные и термостатические.
Елочка – это пара кран-букс, размещающиеся в одном теле. Они изготовляются с диском из керамики либо с резиновой прокладкой. Вентили контролируют пропуск воды, напор, урегулируют температуру.
При приобретении подобной конструкции необходимо обследовать качество соединения деталей: часто бывает, что плохие установки не полностью преграждают воду либо имеют вентили, которые кружатся в различные края без смысла. Вторые конструкции содержат в себе пару полимерных пластинок либо слоев, интервал между ними можно регулировать при помощи рычага.
Термостатические конструкции для ванной и душа самые дорогостоящие, они разрешают отрегулировать необходимую температуру, и это не зависит от давления и теплоты воды. У таких приборов есть система безопасности, не допускающая, чтобы вода была очень теплой или холодной.
Самым верным и надежным материалом для выпуска тела конструкции можно называть латунь, которая изготовляется из сплава меди и цинка.
На верх нее часто накладывают гальванический слой. Другие запчасти лучше покупать из нержавейки – она не сильно подвергается ненужным осадкам, которые копятся в трубах.
Как должен размещаться в соответствии с нормативными строительными актами
Перед тем, как перевестись к рекомендациям по сборке кранов в комнате, нужно адресоваться к справкам и понять, как верно устанавливать конструкцию по отношению к ванне, сколько по вышине должна быть дистанция между емкостью и краном. Посмотрим в СНиПы по строительству. В СНиПе 3-05-01-85 повествуется, на каком возвышении обязан устанавливаться кран над чашей в соответствии с этим документом дистанция между конструкцией и чашей обязана быть не меньше 250 мм, а дистанция от пола в чистом виде повышается до 800 миллиметров.
Детальное исследование нормативов обнаруживает, что параметры монтажа могут изменяться: так, к примеру, для больничных помещений стандарт возвышения устройства равняется уже 1100 миллиметров, а если говорится о душе – то 1200 мм.
В нынешних работах по сантехнике, обычно, если имеется ввиду квартира или частный дом, нормативам следуют не так жестко: обычно владельцы жилья и строители при монтаже устройства для ванны и душа соблюдают установки руководства, которое прикрепляется к хорошему смесителю.
Параметры размещения раковины в ванной комнате с учетом роста членов семьиЦелевое применение смесителя
Механизмы бывают различные и могут устанавливаться на различных постах. Пункт установки конструкции устройства и его пользование обладают приоритетом при предпочтении высоты размещения. Если ванна располагается отдельно, конструкция устанавливается только для набирания жидкости у вместимость, представляемый стандарт от емкости до устройства равняется 20 см.
Если кран для воды должен функционировать на пуске воды в раковине и ванной, конструкция по отношению к емкости обязана устанавливаться на возвышении от раковины в 25 см, а по отношению к емкости этот параметр будет еще значительнее.
Как верно посчитать высоту установки
Практичный опыт не перечит нормативам и назначениям по сборке кранов – механизм устанавливается на дистанции 20 см до емкости. Но практика не жесткая к местоположению крана – вы можете установить его в подходящем пункте, на удобной дистанции от ванны или душа, просто при установке нужно следовать главным пунктам:
- перед тем, как установить устройство, измерьте его по возвышению и приценитесь к удобству положения крана;
- если говорится о душе – то устройство устанавливается на возвышенности от 120 см. от душа. Мерить представляемую цифру необходимо от дна вместимости;
- нередкая оплошность в счетах, на какой дистанции следует устанавливать устройство над емкостью от пола, появляется потому, что за пункт отсчета берут возвышенность чаши еще до установления. Это неправильно – ведь иногда нужно снабдить ванную огромной стойкостью путем установки особых подставок. Может выйти так, что подсчитанная вышина установки конструкции над ванной в 20 см по финалу работ обернется в 10 см, кран будет висеть над вместимостью, и будет не только смотреться некрасиво, но будет очень неудобный в эксплуатации.
Больше того, не все типы кранов можно ставить на такой незначительной дистанции; - установление конструкции от конца емкости – параметр, который нужно мерить и рассчитывать сначала. Особенно нужно это тогда, когда предполагается поворот крана из ванной в раковину и напротив. Помните про размер раковины – он обычно бывает больше 850 см. А к данному параметру нужно добавить величины самого механизма, а также дистанция между гусаком и раковиной – здесь лучше допустить ошибку в плюсовую сторону, чем в минусовую;
- на показания монтажа воздействуют также прибавочные детали, которыми не редко снабжаются нынешние краны – к примеру, смягчители для воды, а также желания тех, кто будет использовать ванную, много кто желает, чтобы кран устанавливался над емкостью на большой возвышенности – так можно помыть голову, без необходимости принимать душ либо набирать большое количество воды;
- устанавливая механизм на стену, необходимо стараться сторониться крепления конструкции к плитке, к ее кромкам – жесткое нанесение материи не разрешит крепко фиксировать отражатели крана.
Поэтому возвышение установления крана может быть крепко сплочена с вышиной укладки бордюра (он стандартно укладывается по вышине метр от пола).
Высота установления смесителей
| Название устройств | Возвышение установки |
| Кран либо механизм раковины | 250 мм от края раковины |
| Кран либо устройство мойки | 200 мм от края мойки |
| Кран либо устройство умывальника | 200 миллиметров от края умывальника |
| Смеситель ванной | 800 миллиметров от пола в чистом виде |
| Общее устройство для ванной и умывальника | 1000 мм – от пола в начальном виде |
| Механизм для душа | 1200 мм – от пола в начальном виде |
Как прикрепить
Устанавливать механизм не особо сложно для человека, который знает это устройство и умеет пользоваться инструментами.
Для установления нужен разводной ключ и механизм смесителя с абсолютной комплектацией. Прежний смеситель необходимо демонтировать аккуратно, чтобы не повреждать нанесение в комнате.
Устанавливать механизм следует таким образом:
- необходимо отчасти собрать устройство смесителя, крепко прижав резиновые и другие прокладки. При монтаже уверьтесь, что все части, кроме рычага и вентильной части, стали неподвижными;
- потом нужно навертеть на резьбу уплотнитель. За него может пойти лента из пластика. При завинчивании важно, чтобы резьба гайки располагалась в едином устремлении с намоткой, иначе может произойти разгерметизация;
- гайками нужно закрепить устройство с трубами. Если гайки отсутствуют в комплекте к конструкции, то их можно купить на рынке строительства. Многда нужно использовать особые переходники в виде маленьких металлических частей, которые используются при разнообразии величин водопровода и оси конструкции;
- на конечной стадии установки нужно увериться, что механизм плотно вмонтирован, и потом прикрепить кран.
Потом можно раскрывать вентили. Не подавайте интенсивное давление воды после открытия, вначале подождите определенное время, понемногу повышая до самого большого. Если при абсолютно раскрытом механизме величина брызг не очень большая, значит, возвышенность установки выбрана верно.
Важные моменты
Если вы хотите установить кран по краю вместимости для подачи жидкости – не пытайтесь поместить его в центре. Лучше сблизить устройство с ногами – в этой ситуации вам станет легче применять смеситель, когда вы принимаете ванну.
Схема крана современного типаПрисоединения под воду разной температуры обязаны устанавливаться на дистанции не меньше 150 миллиметров в направленностях оси. Глубину установки фитингов легче всего определять после испытательном монтаже устройства.
Непременно при занятии с фитингом пользуйтесь уровнем для стройки. С этим устройством вы сможете установить водорозетки в необходимых осях и параллельно друг другу. Помните, что определенные правила установки смесителя сильно скованы с его положением – краны могут устанавливаться на стенку, на тело ванны и на особое возвышение.
Проще верно установить врезной механизм – для данных вариантов емкостей ванных предусматривает особые дыры под установку. Если дыры делались отдельно, то процедура все равно останется довольно простой – смеситель крепится к трубам водопровода путем подвода к нему эластичных труб передачи воды.
Кран крепится в отверстии при помощи особой гайки, делается плотнее шайбами и особой прокладочной материей. Таким образом, крепятся и трубы напора воды. Если их величина будет больше, чем следует – просто отнимите ненужное и шлифуйте пункты срезов.
Крепить конструкцию на стойку либо возвышение без особой помощи несложно – вам необходимо быть знатоком не лишь в сантехнических, но и в строительных делах, как при установке такого устройства нужно производить подведение водопровода прямо к стойке.
Ванная комната предполагает постоянное использование воды, поэтому в перечень работ по ее обустройству в обязательном порядке входит установка смесителя. В интерьере данной комнаты это незаменимый элемент, без которого в быту невозможно обойтись, ведь каждый человек пользуется им ежедневно. Поэтому очень важно правильно расположить смеситель над ванной, чтобы во время умывания и при наборе воды она меньше разбрызгивалась, а сам прибор в интерьере смотрелся эстетично. О существующих правилах установки и особенностях монтажа этого элемента водопроводной арматуры пойдет речь в данной обзорной статье.
Содержание статьи
- Так что же называют смесителем
- Какое расположение крана в ванной соответствует нормативу
- Назначение смесителя становится важным ориентиром
- Как в действительности рассчитать высоту установки смесителя
- Несколько полезных советов
Так что же называют смесителем
Смесителем называют одну из деталей водопровода, обеспечивающую подачу холодной и горячей воды и регулирующую ее напор.
С помощью него можно управлять водяным потоком направляя его к изливу или к лейке душа.
Установка смесителя на стену в ванной комнате
Конструкция большинства смесителей состоит из следующих элементов:
- корпуса;
- боковины;
- втулки;
- накидной гайки;
- подвижного конуса;
- прокладки;
- излива;
- подводящих труб или гибких шлангов.
Сегодня на прилавках магазинов можно встретить три вида смесителей:
- однорычажные;
- термостатические;
- двухвинтильные.
Модели с одной поворотной ручкой получили большое распространение совсем недавно. В некоторых справочных изданиях их называют шарнирными, монокомандными и даже джойстиками. Конструкция с одной поворотной ручкой состоит из двух полимерных сфер с отверстием плотно совмещенных между собой. Их степень совмещения можно регулировать рычагом, устанавливая нужную интенсивность потока. На данном приборе любое действие можно выполнить одной рукой, и в этом его несомненное преимущество над двухвентильным изделием.
Установка смесителя для ванны
С помощью термостатов можно обеспечить подачу воды заданной температуры. Внешне они напоминает двухвинтельные приборы. Термостаты оснащены парой управляющих водным потоком рукояток: первая держит под контролем температуру, вторая регулирует напор воды. Некоторые модели термостата имеют на корпусе кнопку, нажатием которой можно включить режим экономии. При работе в таком режиме прибор ограничивает напор воды. Повторное нажатие кнопки выключает экономный режим. Стоят термостаты очень дорого.
Двухвинтельный кран является классикой сантехники, спрос на него немного снизился после появления на рынке моделей с одной поворотной ручкой. Конструкция двухвинтельных изделий или так называемых ёлочек представляет собой пару кран-букс, размещенных с двух сторон корпуса.
Какое расположение крана в ванной соответствует нормативу
Перед тем, как приступить к практическим рекомендациям по установке в помещении водоразборной арматуры, давайте познакомимся с некоторыми из справочных изданий и выясним, на какой высоте устанавливают смеситель над ванной, при монтаже, который выполнен по всем правилам. Для чего можно заглянуть в СНиПы. Во всех подробностях об этом говорится в СНиПе 3.05.01-85. Согласно данному нормативу кран над емкостью для купания должен находиться на расстоянии не менее 25 см и на высоте 80 см над уровнем пола. При дальнейшем изучении нормативных документов становится ясно, что в зависимости от места установки рекомендуемые значения параметров высоты могут меняться, к примеру, в медицинских учреждениях высота смесителя в ванной от пола стандарт 110 см, а в варианте совмещения емкости для купания с душем 120 см.
Смеситель для ванны — крепление к стене
При организации разводки водопровода в доме или квартире соблюдение стандартов и санитарных норм и правил не такое уж строгое. Если, к примеру, выполняется установка крана в ванной своими руками домашним умельцем, то он старается, прежде всего, придерживаться указаний производителя, изложенных в инструкции по монтажу изделия.
Назначение смесителя становится важным ориентиром
Производители сегодня выпускают разнообразные водоразборные приборы, которые можно монтировать в том месте квартиры, где они необходимы. Определять какая должна быть высота смесителя над ванной нужно с учетом места его нахождения и его назначением. Так, если монтируется на стене кран, предназначенный исключительно для наполнения водой емкости для купания его рекомендуется закрепить на высоте 20 см от верхнего ее бортика.
Если предполагается, что воду из крана будут использовать не только для наполнения емкости для купания, но и для подачи в умывальник, то сантехнический прибор на стене рекомендуется закрепить на расстоянии 25 см от раковины и соответственно высота установки смесителя для ванны будет немного больше.
Как в действительности рассчитать высоту установки смесителя
Применяемая на практике высота установки смесителя в ванной соответствует рекомендуемым нормам по размещению водоразборной арматуры в данном помещении. Обычно расстояние до места крепления крана определяется из расчета 20 см положенных по стандарту. Однако строгое соблюдение норм в расположении данных приборов на деле не практикуется. Можно установить кран в том месте, где вам нравится, но прежде, чем окончательно закрепить его следует непременно примерить по высоте и оценить, насколько удобно будет им пользоваться.
Установка напольного смесителя в ванную
Если же речь идет о смесителе для ванны с душем, то определяться с высотой его установки надо начинать от 120 см, причем делать замер нужно от дна емкости. Некоторые домашние умельцы, вычисляя, какая должна быть в итоге высота установки смесителя над ванной часто ошибаются, поскольку берут в подсчет высоту еще не установленной чаши. Это неверно, потому что под нее в процессе монтажа нередко приходится подкладывать подставки (их толщина может составлять 8-10 см).
Ведь если не обеспечить уклон, то слив воды будет затруднен. И может случиться, что рассчитанное вами значение равное 20 см по завершении всех работ уменьшится до 10 см. Подобное «нависание» крана над чашей будет смотреться не эстетично, да и пользоваться им будет неудобно. К тому же некоторые из моделей так низко просто не получится закрепить.
Замерить и заранее рассчитать нужно еще значение такого показателя, как расстояние от угла чаши до места закрепления водорозетки. Это необходимо сделать, если предполагается подавать воду в обе сантехнические емкости, поворачивая, излив в нужную сторону. И учтите, что раковина всегда расположена выше, на расстоянии 85 см от пола. К значению этого показателя надо прибавить величину самого прибора и несколько сантиметров для свободного прохождения гусака над раковиной. Согласитесь, ошибка «в плюс» будет не настолько драматичной, чем «в минус».
Напольный смеситель для ванны
Месторасположение точки водоразбора будет также зависеть от наличия дополнительных аксессуаров, которыми нередко оснащают современные сантехнические приборы, к примеру, смягчителя воды.
Кроме того, думая о том, как установить кран в ванной надо учитывать все предпочтения будущих пользователей. Некоторым хочется, чтобы кран был расположен повыше, тогда появится возможность мыть голову, не ставясь под душ и не наполняя емкость для купания. Другим же напротив, нравится, когда водорозетка находится, как можно ниже ведь, чем длиннее путь падения воды, тем больше шума и брызг от неё. И это, конечно, вызывает у них дискомфорт. Да и прием душа это не осложнит, ведь длина его шланга хватит и для самого высокого человека.
Устанавливая прибор на облицованную стену ванной комнате, старайтесь не крепить его к плиткам, а тем более к бордюрам. Добиться плотного прилегания отражателей крана к шероховатому покрытию облицовки очень трудно. Поэтому выбирать место расположения сантехники следует с учетом проложенного на стене бордюра (обычно его укладывают в метре от пола). Чтобы декоративная чашечка полностью закрыла место подключения, входные фитинги должны быть утоплены в стену, а их торцы были заподлицо с лицевой поверхностью плитки.
Несколько полезных советов
Делая самостоятельно подводку водных магистралей к водоразборной розетке необходимо учесть следующие моменты:
- Между входными фитингами холодной и горячей воды обязательно должно быть межосевое расстояние 150 мм, тогда трубы не будут греть, и охлаждать друг друга.
- Подводку холодной воды делают обычно справа, а горячей — слева.
Кран, который предполагается установить на бортике боковой части ванны расположить лучше не посередине, а ближе к сливу, там им будет удобнее пользоваться во время приема водных процедур.
При выполнении монтажных работ обязательно пользуйтесь строительным уровнем. Данные современные инструменты, как правило, имеют удобное дополнение в виде шкалы линейки на длинной стороне. С помощью уровня вы сможете смонтировать любые водорозетки на нужном расстоянии и выбранных вами осях.
Установка смесителя на борт ванны
Самым простым считается монтаж врезного прибора, к тому же он способен обеспечить сильный поток, благодаря которому емкость наполняется водой за короткое время.
В сегодняшнем дизайнерском оформлении чаш для купания обычно предусмотрено технологическое отверстие для его ввинчивания. Даже при его отсутствии просверлить изделие не составит труда.
- Напольный смеситель для ванны
- Установка напольного смесителя в ванную
- Установка смесителя для ванны
- Смеситель для ванны на стену
- Смеситель для ванны — крепление к стене
- Установка смесителя на борт ванны
- Установка смесителя на борт ванны
- Установка смесителя на стену в ванной комнате
- Установка смесителя над ванной
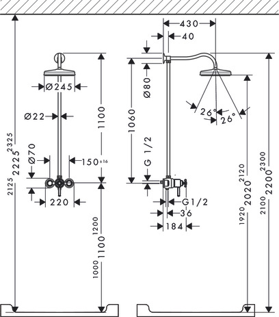
Технические характеристики сантехники для душа | Главная Руководства
Автор Tom Dennis Обновлено 29 декабря 2018 г.
Приблизительные спецификации касаются размещения и размеров сантехнических труб, приспособлений и кранов, которые устанавливаются в первую очередь; это части сантехники, которые закрываются, и вы обычно не видите их после завершения. Некоторые характеристики, такие как размещение смесителя для душа и насадки для душа, можно отрегулировать в соответствии с пожеланиями домовладельца. Другие характеристики, такие как размер труб и расположение слива, должны быть установлены в соответствии со спецификациями производителя и кода.
Расположение смесителя и насадки для душа
При размещении смесителя в комбинированной ванне и душевой кабине смеситель обычно размещают низко, на 12–18 дюймов выше края ванны. Носик ванны обычно располагается на 4 дюйма выше края ванны. В душевой кабине смеситель расположен выше на высоте 48 дюймов от пола. Насадка для душа обычно располагается на высоте от 72 до 80 дюймов над чистым полом. Если домовладелец предпочитает регулировку по высоте, то насадку для душа можно сделать выше или ниже.
Клапан, носик и насадка для душа должны располагаться по центру из стороны в сторону внутри душа.
Размер водопроводных труб
Почти для всех смесителей для ванны и душа требуется водопроводная труба диаметром полдюйма как для горячего, так и для холодного водоснабжения. При использовании трубы PEX, чрезвычайно гибкого, простого в использовании и популярного типа пластиковой трубы, вы должны соблюдать осторожность при выборе размера. PEX имеет меньший внутренний диаметр, чем медная труба, поэтому, если душ находится на втором этаже, было бы разумно установить трубу PEX диаметром три четверти дюйма в точке рядом с душем, прежде чем уменьшать ее до половины дюйма и подключать к водопроводу. кран. Этот больший диаметр поможет обеспечить адекватный поток воды на больших расстояниях от источника воды.
Место слива
Если душевая кабина устанавливается там, где будет доступ под нее после установки душевой кабины, например, над подвалом с открытым потолком или подпольем, то душевую кабину можно установить на место а слив подключили потом.
Если душевая кабина будет установлена в месте без доступа снизу, например, на бетонном полу или на верхнем этаже с готовым потолком, который не будет открываться, то перед установкой душевой кабины необходимо будет зачернить слив. . Существует множество различных конструкций душевых кабин. Чтобы определить примерные характеристики душевого трапа, необходимо ознакомиться с инструкциями производителя по установке данного конкретного устройства.
Размер дренажной трубы
Для комбинации ванны и душа потребуется дренажная труба диаметром не менее 1 1/2 дюйма и P-образный сифон. 2-дюймовая дренажная труба лучше. В устройствах с душем требуется 2-дюймовый слив и P-образный сифон. Слив требует горизонтального падения или угла падения в одну четверть дюйма на погонный фут. Также необходимо установить вентиляционную трубу и соединить ее с дренажной трубой.
Каталожные номера
- Зона молота: Модернизация ванны: Установка смесителя для душа Moen Posi-Temp
Ресурсы
- Этот старый дом: с нуля: водопровод
Автор биографии
Том Деннис с 2008 года пишет технические, а также религиозные статьи и учебные программы.
более 30 лет с большим опытом работы в домашних проектах. Деннис имеет степень магистра религиозного образования теологической семинарии Гранд-Рапидс.
Лучшая высота для стояков ванны
Назад в блог Kignston —>
Делиться:26 января 2022 г. Тристан О Доннелл
| Избранное изображение — @Fawn_manor из Instagram — Артикул: KS228C | При ремонте ванной комнаты у вас будет возможность выбрать высоту смесителей для ванны. Вы можете вместе со своим подрядчиком выбрать высоту и положение стояка ванны, чтобы получить ванну, идеально подходящую для вас. Вы также можете выбрать из различных латунных стояков для ванны, чтобы вы могли регулировать высоту смесителя. Это позволяет устанавливать на наилучшей возможной высоте для легкого доступа. |
Выбор высоты смесителя и излива для ванны
Смесители для ванны обычно устанавливаются на 2–6 дюймов выше края ванны.
Тем не менее, важно оценить высоту вашего крана в зависимости от людей, живущих в вашем доме. Возможно, вам придется включить стояки для ванны, чтобы отрегулировать высоту смесителя, чтобы он был более доступным, в зависимости от того, кто использует вашу ванну и стиль ванны, которую вы устанавливаете. Например, для ванны на когтях, скорее всего, потребуются стояки. Если в вашем доме есть кто-то, кто использует табурет для купания, установка стояков для ванны может облегчить им доступ к крану.
При установке смесителя и ванны важно оставаться в разумных пределах. Размещение крана слишком высоко вызовет только проблемы, так как у вас будет что-то похожее на насадку для душа, но без достаточного напора воды. Слишком низкое расположение крана только затруднит доступ к нему. Кроме того, вы можете обнаружить, что этот тип установки может нарушать местные строительные нормы и правила.
Выбор установки смесителя и любого стояка для ванны высотой 2–6 дюймов придаст вам привлекательный внешний вид, обеспечит легкий доступ к смесителю и упростит подключение арматуры к водопроводу во время установки ванна.
Факторы, которые следует учитывать при установке стояка для ванны
Подрядчики могут помочь установить стояк для ванны на максимально возможной высоте для вашего дома, чтобы каждый член вашей семьи мог легко получить доступ к ванне и смесителю. При выборе высоты стояка для ванны необходимо учитывать множество факторов, в том числе следующие:
- Чем выше вы поднимете кран, тем больше вероятность того, что вода будет брызгать на пол вашей ванной комнаты.
- Потратьте время на выбор смесителя и стояка для ванны, которые соответствуют вашему стилю и гармонируют с вашей ванной. Это позволяет иметь привлекательный, единый внешний вид.
- При выборе стояка для ванны учитывайте размеры фитингов. В противном случае вы можете столкнуться с тем, что размеры просто не совпадают. Часто лучше, чтобы квалифицированный сантехник установил эти приспособления для вас, чтобы вы знали, что установка выполнена правильно.
- Обратите внимание на расположение сантехники по отношению к ванне при выборе светильников и стояков для ванны.



Больше того, не все типы кранов можно ставить на такой незначительной дистанции;
Поэтому возвышение установления крана может быть крепко сплочена с вышиной укладки бордюра (он стандартно укладывается по вышине метр от пола).


