Сборочный чертеж — Технология Jimdo-Page!
Каждый сборочный чертеж сопровождается спецификацией.
Спецификация — основной конструкторский документ, выполненный в виде таблицы, в которой приводятся наименования, номера позиций всех составных частей сборочной единицы и указывается их число.
В спецификации документацию и составные части сборочной единицы перечисляют в определенной последовательности: документация, комплексы, сборочные единицы, детали, стандартные изделия, прочие изделия, материалы, комплекты.
Спецификацию выполняют на отдельных листах (одном или нескольких) формата А4 или размешают непосредственно на сборочном чертеже, выполненном на формате A4, если имеется достаточно места для ее размещения. Спецификацию выполняют прежде, чем на сборочном чертеже наносятся номера позиций деталей, входящих в сборочную единицу. Она необходима для изготовления изделия.
После каждого раздела спецификации в соответствии с ГОСТом оставляют свободные строки и резервируют номера позиций для возможного внесения дополнительных изделий.
Заполнение граф спецификации производится сверху вниз следующим образом:
1. В графе «Формат» указывают форматы документов, обозначения которых записаны в графе «Обозначение».
• для документов, записанных в разделы «Стандартные изделия», «Прочие изделия» и «Материалы», графу не заполняют.
• для деталей, на которые не выпущены чертежи, в графе указывают БЧ (без чертежа).
2. В графе «Зона» указывают обозначение зоны, в которой находится записываемая составная часть (при разбивке поля чертежа на зоны в соответствии с ГОСТ
2.104-2006).
3. В графе «Поз.» (Позиция) указывают порядковые номера составных частей, входящих в специфицируемое изделие в последовательности их записи в спецификации. Для разделов
«Документация» и «Комплекты» графу не заполняют.
201-80. 5. В графе «Наименование» указывают:
• в разделе «Документация» только наименование документа, например, «Сборочный чертеж»;
• в разделах «Комплексы», «Сборочные единицы», «Детали», «Комплекты» – наименование изделий в соответствии с основной надписью на конструкторских документах этих изделий, например «Колесо
зубчатое», «Втулка». Для деталей, на которые не выпущены чертежи, указывают наименование и материал, а также размеры, необходимые для их изготовления;
• в разделе «Стандартные изделия» – наименование и обозначение изделий в соответствии со стандартами на эти изделия;
• в разделе «Прочие изделия» – наименование и условные обозначения изделий в соответствии с документами на их поставку с указанием обозначений этих документов;
6. В графе «Кол.» (Количество) указывают количество составных частей в одном специфицируемом изделии, а в разделе «Материалы» – общее количество материалов на одно изделие с указанием единицы измерения.
7. В графе «Примечание» указывают дополнительные сведения для планирования и организации производства, а также другие сведения, относящиеся к записанным в спецификацию изделиям, материалам и документам.
ГОСТ 2.307-2011 Единая система конструкторской документации (ЕСКД). Нанесение размеров и предельных отклонений (с Поправками)
ГОСТ 2.307-2011
Группа Т52
МКС 01.080.30
ОКСТУ 0002
Дата введения 2012-01-01
Цели, основные принципы и основной порядок проведения работ по межгосударственной стандартизации установлены ГОСТ 1.0-92 «Межгосударственная система стандартизации. Основные положения» и ГОСТ 1.2-2009 «Межгосударственная система стандартизации. Стандарты межгосударственные, правила и рекомендации по межгосударственной стандартизации. Правила разработки, принятия, применения, обновления и отмены»
Сведения о стандарте
1 РАЗРАБОТАН Федеральным государственным унитарным предприятием «Всероссийский научно-исследовательский институт стандартизации и сертификации в машиностроении» (ФГУП «ВНИИНМАШ»), Автономной некоммерческой организацией «Научно-исследовательский центр CALS-технологий «Прикладная логистика» (АНО НИЦ CALS-технологий «Прикладная логистика»)
2 ВНЕСЕН Федеральным агентством по техническому регулированию и метрологии
3 ПРИНЯТ Межгосударственным советом по стандартизации, метрологии и сертификации (протокол от 12 мая 2011 г.
За принятие стандарта проголосовали:
Краткое наименование страны по МК (ИСО 3166) 004-97 | Код страны | Сокращенное наименование национального органа по стандартизации |
Азербайджан | AZ | Азстандарт |
Армения | AM | Минэкономики Республики Армения |
Беларусь | BY | Госстандарт Республики Беларусь |
Казахстан | KZ | Госстандарт Республики Казахстан |
Кыргызстан | KG | Кыргызстандарт |
Молдова | MD | Молдова-Стандарт |
Российская Федерация | RU | Росстандарт |
Таджикистан | TJ | Таджикстандарт |
Узбекистан | UZ | Узстандарт |
Украина | Госпотребстандарт Украины |
4 Приказом Федерального агентства по техническому регулированию и метрологии от 3 августа 2011 г.
N 211-ст межгосударственный стандарт ГОСТ 2.307-2011 введен в действие в качестве национального стандарта Российской Федерации с 1 января 2012 г.
5 ВЗАМЕН ГОСТ 2.307-68
Информация о введении в действие (прекращении действия) настоящего стандарта публикуется в указателе «Национальные стандарты».
Информация об изменениях к настоящему стандарту публикуется в указателе «Национальные стандарты», а текст изменений — в информационных указателях «Национальные стандарты». В случае пересмотра или отмены настоящего стандарта соответствующая информация будет опубликована в информационном указателе «Национальные стандарты»
ВНЕСЕНЫ: поправка, опубликованная в ИУС N 12, 2012 год; поправка, опубликованная в ИУС N 10, 2014 год; поправка, опубликованная в ИУС N 8, 2018 год
Поправки внесены изготовителем базы данных
1 Область применения
Настоящий стандарт устанавливает правила нанесения размеров и предельных отклонений в графических документах на изделия всех отраслей промышленности и строительства.
2 Нормативные ссылки
В настоящем стандарте использованы нормативные ссылки на следующие межгосударственные стандарты:
ГОСТ 2.052-2006 Единая система конструкторской документации. Электронная модель изделия. Общие положения
ГОСТ 2.308-2011 Единая система конструкторской документации. Указание допусков формы и расположения поверхностей
ГОСТ 2.414-75 Единая система конструкторской документации. Правила выполнения чертежей жгутов, кабелей и проводов
ГОСТ 2.417-91 Единая система конструкторской документации. Платы печатные. Правила выполнения чертежей
ГОСТ 2.419-68 Единая система конструкторской документации. Правила выполнения документации при плазовом методе производства
ГОСТ 6636-69 Основные нормы взаимозаменяемости. Нормальные линейные размеры
ГОСТ 25346-89 Основные нормы взаимозаменяемости. Единая система допусков и посадок. Общие положения, ряды допусков и основных отклонений
ГОСТ 25347-82 Основные нормы взаимозаменяемости.
Единая система допусков и посадок. Поля допусков и рекомендуемые посадки
ГОСТ 25348-81* Основные нормы взаимозаменяемости. Единая система допусков и посадок. Ряды допусков, основных отклонений и поля допусков для размеров свыше 3150 мм.
______________
* Вероятно ошибка оригинала. Следует читать: ГОСТ 25348-82. — Примечание изготовителя базы данных.
ГОСТ 25349-88 Основные нормы взаимозаменяемости. Единая система допусков и посадок. Поля допусков деталей из пластмасс
ГОСТ 30893.1-2002 (ИСО 2768-1-89) Основные нормы взаимозаменяемости. Общие допуски. Предельные отклонения линейных и угловых размеров с неуказанными допусками
Примечание — При пользовании настоящим стандартом целесообразно проверить действие ссылочных стандартов в информационной системе общего пользования — на официальном сайте Федерального агентства по техническому регулированию и метрологии в сети Интернет или по ежегодно издаваемому информационному указателю «Национальные стандарты», который опубликован по состоянию на 1 января текущего года, и по соответствующим ежемесячно издаваемым информационным указателям, опубликованным в текущем году.
Если ссылочный стандарт заменен (изменен), то при пользовании настоящим стандартом следует руководствоваться заменяющим (измененным) стандартом. Если ссылочный стандарт отменен без замены, то положение, в котором дана ссылка на него, применяется в части, не затрагивающей эту ссылку.
(Поправка. ИУС N 12-2012).
3 Термины и определения
В настоящем стандарте применены следующие термины с соответствующими определениями:
3.1
электронная модель изделия (модель): Электронная модель детали или сборочной единицы по ГОСТ 2.102. |
3.2
электронный макет: Электронная модель изделия, описывающая его внешнюю форму и размеры, позволяющая полностью или частично оценить его взаимодействие с элементами производственного и (или) эксплуатационного окружения, служащая для принятия решений при разработке изделия и процессов его изготовления и использования. |
3.3 справочные размеры: Размеры, не подлежащие выполнению по данному графическому документу и указываемые для большего удобства пользования этим документом.
3.4 установочные и присоединительные размеры: Размеры, определяющие величины элементов, по которым данное изделие устанавливают на месте монтажа или присоединяют к другому изделию.
3.5 габаритные размеры: Размеры, определяющие предельные внешние (или внутренние) очертания изделия.
3.6
общий допуск размера: Предельные отклонения (допуски) линейных или угловых размеров, указываемые на чертеже или в других технических документах общей записью и применяемые в тех случаях, когда предельные отклонения (допуски) не указаны индивидуально у соответствующих номинальных размеров. |
3.7
плоскость обозначений и указаний: Плоскость в модельном пространстве, на которую выводится визуально воспринимаемая информация, содержащая значения атрибутов модели, технические требования, обозначения и указания. |
3.8
предельное отклонение: Алгебраическая разность между предельным и соответствующим номинальным размерами. Различают верхнее и нижнее предельные отклонения. |
3.9
размер: Числовое значение линейной величины (диаметра, длины и т.п.) в выбранных единицах измерения. |
3.
10
номинальный размер: Размер, относительно которого определяются отклонения. |
3.11
база: Поверхность или выполняющее ту же функцию сочетание поверхностей, ось, точка, принадлежащая заготовке или изделию и используемая для базирования. |
3.12
конструкторская база: База, используемая для определения положения детали или сборочной единицы в изделии. |
3.13
основная база: Конструкторская база данной детали или сборочной единицы, используемая для определения их положения в изделии. |
3.14
ГОСТ 2.307-2011 ЕСКД
ГОСТ 2.307-2011
Группа Т52
МКС 01.080.30
ОКСТУ 0002
Дата введения 2012-01-01
Цели, основные принципы и основной порядок проведения работ по межгосударственной стандартизации установлены ГОСТ 1.0-92 «Межгосударственная система стандартизации. Основные положения» и ГОСТ 1.2-2009 «Межгосударственная система стандартизации. Стандарты межгосударственные, правила и рекомендации по межгосударственной стандартизации. Правила разработки, принятия, применения, обновления и отмены»
Сведения о стандарте
1 РАЗРАБОТАН Федеральным государственным унитарным предприятием «Всероссийский научно-исследовательский институт стандартизации и сертификации в машиностроении» (ФГУП «ВНИИНМАШ»), Автономной некоммерческой организацией «Научно-исследовательский центр CALS-технологий «Прикладная логистика» (АНО НИЦ CALS-технологий «Прикладная логистика»)
2 ВНЕСЕН Федеральным агентством по техническому регулированию и метрологии
3 ПРИНЯТ Межгосударственным советом по стандартизации, метрологии и сертификации (протокол от 12 мая 2011 г.
N 39)
За принятие стандарта проголосовали:
Краткое наименование страны по МК (ИСО 3166) 004-97 | Код страны | Сокращенное наименование национального органа по стандартизации |
Азербайджан | AZ | Азстандарт |
Армения | AM | Минэкономики Республики Армения |
Беларусь | BY | Госстандарт Республики Беларусь |
Казахстан | KZ | Госстандарт Республики Казахстан |
Кыргызстан | KG | Кыргызстандарт |
Молдова | MD | Молдова-Стандарт |
Российская Федерация | RU | Росстандарт |
Таджикистан | TJ | Таджикстандарт |
Узбекистан | UZ | Узстандарт |
Украина | UA | Госпотребстандарт Украины |
4 Приказом Федерального агентства по техническому регулированию и метрологии от 3 августа 2011 г.
N 211-ст межгосударственный стандарт ГОСТ 2.307-2011 введен в действие в качестве национального стандарта Российской Федерации с 1 января 2012 г.
5 ВЗАМЕН ГОСТ 2.307-68
Информация о введении в действие (прекращении действия) настоящего стандарта публикуется в указателе «Национальные стандарты».
Информация об изменениях к настоящему стандарту публикуется в указателе «Национальные стандарты», а текст изменений — в информационных указателях «Национальные стандарты». В случае пересмотра или отмены настоящего стандарта соответствующая информация будет опубликована в информационном указателе «Национальные стандарты»
ВНЕСЕНЫ: поправка, опубликованная в ИУС N 12, 2012 год; поправка, опубликованная в ИУС N 10, 2014 год; поправка, опубликованная в ИУС N 8, 2018 год
Поправки внесены изготовителем базы данных
1 Область применения
Настоящий стандарт устанавливает правила нанесения размеров и предельных отклонений в графических документах на изделия всех отраслей промышленности и строительства.
2 Нормативные ссылки
В настоящем стандарте использованы нормативные ссылки на следующие межгосударственные стандарты:
ГОСТ 2.052-2006 Единая система конструкторской документации. Электронная модель изделия. Общие положения
ГОСТ 2.308-2011 Единая система конструкторской документации. Указание допусков формы и расположения поверхностей
ГОСТ 2.414-75 Единая система конструкторской документации. Правила выполнения чертежей жгутов, кабелей и проводов
ГОСТ 2.417-91 Единая система конструкторской документации. Платы печатные. Правила выполнения чертежей
ГОСТ 2.419-68 Единая система конструкторской документации. Правила выполнения документации при плазовом методе производства
ГОСТ 6636-69 Основные нормы взаимозаменяемости. Нормальные линейные размеры
ГОСТ 25346-89 Основные нормы взаимозаменяемости. Единая система допусков и посадок. Общие положения, ряды допусков и основных отклонений
ГОСТ 25347-82 Основные нормы взаимозаменяемости.
Единая система допусков и посадок. Поля допусков и рекомендуемые посадки
ГОСТ 25348-81* Основные нормы взаимозаменяемости. Единая система допусков и посадок. Ряды допусков, основных отклонений и поля допусков для размеров свыше 3150 мм.
______________
* Вероятно ошибка оригинала. Следует читать: ГОСТ 25348-82. — Примечание изготовителя базы данных.
ГОСТ 25349-88 Основные нормы взаимозаменяемости. Единая система допусков и посадок. Поля допусков деталей из пластмасс
ГОСТ 30893.1-2002 (ИСО 2768-1-89) Основные нормы взаимозаменяемости. Общие допуски. Предельные отклонения линейных и угловых размеров с неуказанными допусками
Примечание — При пользовании настоящим стандартом целесообразно проверить действие ссылочных стандартов в информационной системе общего пользования — на официальном сайте Федерального агентства по техническому регулированию и метрологии в сети Интернет или по ежегодно издаваемому информационному указателю «Национальные стандарты», который опубликован по состоянию на 1 января текущего года, и по соответствующим ежемесячно издаваемым информационным указателям, опубликованным в текущем году.
Если ссылочный стандарт заменен (изменен), то при пользовании настоящим стандартом следует руководствоваться заменяющим (измененным) стандартом. Если ссылочный стандарт отменен без замены, то положение, в котором дана ссылка на него, применяется в части, не затрагивающей эту ссылку.
(Поправка. ИУС N 12-2012).
3 Термины и определения
В настоящем стандарте применены следующие термины с соответствующими определениями:
3.1
электронная модель изделия (модель): Электронная модель детали или сборочной единицы по ГОСТ 2.102. |
3.2
электронный макет: Электронная модель изделия, описывающая его внешнюю форму и размеры, позволяющая полностью или частично оценить его взаимодействие с элементами производственного и (или) эксплуатационного окружения, служащая для принятия решений при разработке изделия и процессов его изготовления и использования. |
3.3 справочные размеры: Размеры, не подлежащие выполнению по данному графическому документу и указываемые для большего удобства пользования этим документом.
3.4 установочные и присоединительные размеры: Размеры, определяющие величины элементов, по которым данное изделие устанавливают на месте монтажа или присоединяют к другому изделию.
3.5 габаритные размеры: Размеры, определяющие предельные внешние (или внутренние) очертания изделия.
3.6
общий допуск размера: Предельные отклонения (допуски) линейных или угловых размеров, указываемые на чертеже или в других технических документах общей записью и применяемые в тех случаях, когда предельные отклонения (допуски) не указаны индивидуально у соответствующих номинальных размеров. |
3.7
плоскость обозначений и указаний: Плоскость в модельном пространстве, на которую выводится визуально воспринимаемая информация, содержащая значения атрибутов модели, технические требования, обозначения и указания. |
3.8
предельное отклонение: Алгебраическая разность между предельным и соответствующим номинальным размерами. Различают верхнее и нижнее предельные отклонения. |
3.9
размер: Числовое значение линейной величины (диаметра, длины и т.п.) в выбранных единицах измерения. |
3.
10
номинальный размер: Размер, относительно которого определяются отклонения. |
3.11
база: Поверхность или выполняющее ту же функцию сочетание поверхностей, ось, точка, принадлежащая заготовке или изделию и используемая для базирования. |
3.12
конструкторская база: База, используемая для определения положения детали или сборочной единицы в изделии. |
3.13
основная база: Конструкторская база данной детали или сборочной единицы, используемая для определения их положения в изделии. |
3.14
квалитет (степень точности): Совокупность допусков, рассматриваемых как соответствующие одному уровню точнос |
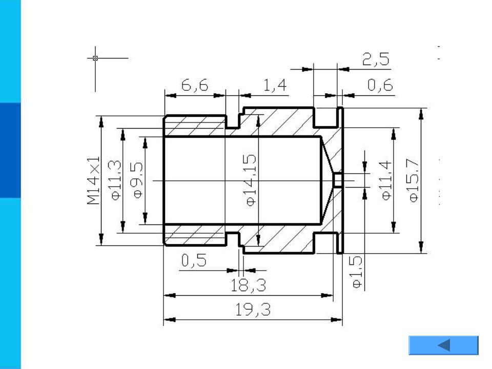
Правила нанесения размеров на чертежах ГОСТ (2.307-68) — Студия Vertex
- Различают размеры ГОСТ рабочие (исполнительные), каждый из которых используют при изготовлении изделия и его приемке (контроле), и справочные, указываемые только для большего удобства пользования чертежом. Справочные размеры отмечают знаком «*», а в технических требованиях, располагаемых над основной надписью, записывают: «* Размер для справок»
- Не допускается повторять размеры одного и того же элемента на разных изображениях
- Линейные размеры на чертежах указывают в миллиметрах, без обозначения единицы измерения, угловые – в градусах, минутах и секундах, например: 4°; 10°30’24”.
- Для нанесения размеров на чертежах используют размерные линии, ограничиваемые с одного или обоих концов стрелками или засечками.
Размерные линии проводят параллельно объекту, размер которого указывают.
Уроки по теме:
Рамка для чертежа, размеры рамки А4
Размеры на чертеже в Autodesk Inventor
Простановка размеров в Компас 3D
Размеры в Solidworks
Выносные линии проводят перпендикулярно размерным, за исключением случаев, когда они вместе с измеряемым отрезком образуют параллелограмм. Нельзя использовать в качестве размерных линии контура, осевые и выносные.
5. Минимальные расстояния между параллельными размерными линиями – 7 мм, а между размерной и линией контура – 10 мм. Необходимо избегать пересечения размерных линий между собой и выносными линиями. Выносные линии должны выходить за концы стрелок или засечек на 1…5 мм.
6. Размерные стрелки на чертеже должны быть приблизительно одинаковыми.
7. Размерные числа наносят над размерной линией возможно ближе к ее середине. При нанесении размера диаметра внутри окружности размерные числа смещают относительно середины размерных линий.
8. При большом количестве параллельных или концентричных размерных линий числа смещают относительно середины в шахматном порядке.
9. Размерные числа линейных размеров при различных наклонах размерных линий располагают, как показано выше. Если необходимо указать размер в заштрихованной зоне, то размерное число наносят на полке линии – выноски.
Для учебных чертежей высота размерных чисел рекомендуется 3,5 мм или 5 мм, расстояние между цифрами и размерной линией – 0,5…1 мм.
10. При недостатке места для стрелок на размерных линиях, расположенных цепочкой, стрелки заменяют засечками, наносимыми под углом 45 градусов к размерным линиям или точками, но снаружи проставляют стрелки.
11. При недостатке места для стрелки из – за близко расположенной контурной линии последнюю можно прерывать.
12. Угловые размеры наносят так, как показано выше. Для углов малых размеров размерные числа помещают на полках линий – выносок в любой зоне.
13. Если надо показать координаты вершины скругляемого угла или центра дуги скругления, то выносные линии проводят от точки пересечения сторон скругленного угла или от центра дуги скругления.
14. Если вид или разрез симметричного предмета или отдельных, симметрично расположенных элементов, изображают только до оси симметрии с обрывом, то размерные линии, относящиеся к этим элементам, проводят с обрывом, и обрыв размерной линии делают дальше оси или обрыва предмета, а размер указывают полный.
15. Размерные линии можно проводить с обрывом и при указании размера диаметров окружности независимо от того, изображена ли окружность полностью или частично, при этом обрыв размерной линии делают дальше центра окружности.
16. При изображении изделия с разрывом размерную линию не прерывают.
17. Размерные числа нельзя разделять или пересекать, какими бы то ни было линиями чертежа. Осевые, центровые линии и линии штриховки в месте нанесения размерного числа допускается прерывать.
18. Перед размерным числом радиуса помещают прописную букву R. Ее нельзя отделять от числа любой линией чертежа.
19. Размеры радиусов наружных и внутренних скруглений наносят, как показано ниже.
Способ нанесения определяет обстановка. Скругления, для которых задают размер, должны быть изображены. Скругления с размером радиуса (на чертеже), менее 1 мм не изображают.
20. В случаях, если на чертеже трудно отличить сферу от других поверхностей, наносят слово «Сфера» или знак ○1420. Диаметр знака сферы ○ равен размеру размерных чисел на чертеже.
21. Размер квадрата наносят, как показано ниже. Высота знака равна высоте размерных чисел на чертеже.
22. Если чертеж содержит одно изображение детали, то размер ее толщины или длины наносят, как показано на выше.
23. Размеры изделия всегда наносят действительные, независимо от масштаба изображения.
24. Размерные линии предпочтительно наносить вне контура изображения, располагая по возможности внутренние и наружные размеры по разные стороны изображения. Однако размеры можно нанести внутри контура изображения, если ясность чертежа от этого не пострадает.
25. При нанесении размера диаметра окружности знак Ø является дополнительным средством для пояснения формы предмета или его элементов, представляющих собой поверхность вращения. Этот знак проставляется перед размерным числом диаметра во всех случаях.
В ряде случаев, пользуясь этим знаком, можно избежать лишних изображений. Так, применение знака Ø позволило для детали ограничиться одним изображением.
Последовательность нанесения размеров:
- Поэлементные размеры – размеры каждой поверхности, входящей в данную деталь. Эти размеры ставятся на том изображении, где эта поверхность лучше читается.
- Координирующие размеры – размеры привязки центров одних элементов к другим, межосевые, межцентровые.
- Габаритные размеры – общая высота, длина и ширина изделий. Эти размеры располагаются дальше всего от контура детали.
- Об авторе
- Недавние записи
Компания «Студия Vertex» с 2009 года специализируется на выпуске образовательных курсов посвященных использованию популярных современных САПР.
Как правильно читать чертежи. Памятка для визуализаторов.
Я столкнулась с проблемой, что далеко не все визуализаторы умеют читать чертежи, и ничего постыдного в этом нет. Когда есть пробел в знаниях, то его конечно нужно просто закрывать. А я постараюсь вам в этом помочь.
Есть очень много деталей, важных моментов на чертежах, которые могут вызвать недоумение у впервые открывшего их.
А тут еще прибавьте, если вдруг чертежи выполнены без каких-либо таблиц, пояснений к ним. Что за условные обозначения, что они значат? Давайте разберемся.
Я писала в отдельной статье, какая документация и картинки нужны для визуализатора от дизайнера, чтобы приступить к работе.
https://vk.com/@anastasia_reese-gramotnoe-tz-dlya-…
Теперь давайте разберем каждый чертеж.
ОБЩИЙ ЧЕРТЕЖ ПОМЕЩЕНИЯ.
Лучше всего, если дизайнер может предоставить чертеж в формате DWG. Таким образом, визуализатор просто может перенести его в программу 3DsMax и быстрее возвести стены.
Для начала, дорогой начинающий визуализатор, возможно я пишу совсем уж понятные вещи, но возможно для кого-то и эта информация будет в новинку. Так вот, смотрим мы на помещение сверху.
Грамотно составленный чертеж обычно предполагает основной вход в помещение снизу по чертежу.
В условных обозначениях, а такие таблицы ОБЯЗАТЕЛЬНО должны быть составлены, для строителей, указаны обозначения на плане и пояснения к ним. В основном это будут: размерные линии, несущие стены, перегородки. Их толщина обычно указана либо в таблице, например, если она стандартная 100мм, или на плане в разных местах, потому что где-то стена может быть и 120мм, а где-то всего 80мм.
H пр. обозначает высоту проема. Обычно это дверной проем. Стандартная высота дверных проемов в России 2100мм.
H пом. Или просто H=….мм – это высота потолка. Если это проект еще на стадии ремонта, то скорее всего это высота без учета напольных поверхностей и потолка, что тоже займет определенное расстояние. Если на пол ещё можно не сильно ориентироваться, так как пара см не сильно повлияет на визуализацию. А вот потолок в некоторых местах могут опустить на 5-7-10 см.
Н ок. и Н под. -это прописаны высоты подоконника и окна. Подоконника — от пола до верхнего уровня подоконника, и окна — от подоконника до верхнего уровня окна. (Внимание не от пол до верхнего уровня окна).
Далее размерные линии показывают расстояния от стены до дверного проема (чаще всего без учета дверной коробки), затем самого дверного проема, и до окончания стены или примыкания следующей, или до следующего выступа.
Также вы можете наблюдать на чертеже указание радиаторов, их расположение, расстояния от стены, где проходит труба. Насколько они выступают от стены. Или наоборот. Возможно это конвекторы и располагаются в полу.
Кружочками указаны расположения труб и расстояния до них.
Если есть электрощиток, то это тоже обозначено на чертеже с размером от прилегающей стены и сноской, и информацией о размере щитка и высоты, на которой он расположен.
Важно не забывать о вентиляции, она тоже будет указана на чертеже. А это значит, что скорее всего она будет спрятана в короба, и это возможно заставит дизайнера опустить уровень потолка в этом месте.
Что еще не учтено:
1.Насколько выпирает подоконник, это очень важно. На чертеже это должны быть указано с размерами.
2. Иногда под окнами существуют ниши для радиаторов, и тогда батареи не выступают вперед. Это тоже должно быть указано на чертеже. Проверьте этот пункт на фотографиях помещения, возможно дизайнер в схеме забыл вам об этом указать. Так как вам понадобится эта информация в будущем, чтобы знать, где будет проходить линия штор, чтобы ткань «не лежала» в итоге на батареях.
3. Далее все выступы, ниши, балки на стенах или потолке – всё это возможно просто будет указано на отдельном чертеже. Поэтому важно ознакомиться с полным комплектом и посмотреть фотографии помещения по возможности.
Безусловно вам не нужен чертеж со стенами, где что было до возведения новых перегородок, но на нем может быть указана необходимая информация о высотах, выступах и тд. Поэтому лучше, чтобы у вас это было.
ЧЕРТЕЖ МОНТАЖА.
Этот чертеж станет основополагающим для вас, так как тут указаны новые стены. Но хочу обратить ваше внимание, что тут не указаны все необходимые размеры. Если вам был дан чертеж в DWG – вам проще. Если же только такой план, то вам придется совмещать информацию на обмерном чертеже и чертеже монтажа. Поэтому стоит попросить у дизайнера отдельный обмерный план, как должно выглядеть помещение после всех демонатжных/ монтажных работ.
На условных обозначениях появилось новым только синим – монтируемые (то есть новые) перегородки. И красным обозначена шумоизоляция. Стены со сложной конструкцией или выступами обычно указаны, и есть ссылка на развертку. Либо схематично указано рядом с чертежом, как на примере выше. Вид А показывает с какой стороны вы смотрите на конструкцию и рядом чертеж этой самой конструкции. Либо дизайнер даёт вам набросок с идеей от руки.
МЕБЕЛЬ.
Со временем вы научитесь читать чертежи, не обращая внимания на сноски, а пока я распишу вам, что может стать не понятным. На этом плане с расстановкой мебели и оборудования будут указаны габаритные размеры мебели, и некоторые расстояния до других предметов в комнате.
Иногда дизайнер выделяет другим цветом сантехнику.
То, что указано просто квадратами или прямоугольниками всегда подписывается.
Стандартные размеры кухонных шкафов обычно 600х600мм.
Точность в нашей профессии очень важна, поэтому к этому плану обычно прилагается отдельный файл с ссылками на мебель и оборудование, которые находятся в этом помещении, это может быть word-овский документ или ссылка в виде таблицу Exсel. Обычно идет наименование, размер, ссылка в интернете на него, фотография и примечание.
Шкафы могут быть указаны вот так:
или вот так:
Заметка:
Всегда уточняйте, если эта информация не была дана, как будут задекорированы окна – тюль, портьера, французские шторы. Нужна ли будет для них ниша?
Всегда уточняйте у дизайнера, если вдруг что-то не подписано, и вы не знаете, что же это такое указано на чертеже.
РАСПОЛОЖЕНИЕ НАПОЛЬНЫХ ПЛИНТУСОВ.
Здесь просто указано схемой- в данном случае красным цветом, где проходит плинтус: с размером либо до какого предмета мебели. А в таблице прописано название модели.
Также создается и читается схема расположения потолочных плинтусов.
СВЕТ.
Отдельным чертежом вы получите план освещения. Рядом с чертежом должны быть таблица с обозначениями. На профессионально-выполненном чертеже будет указано точное наименование каждого светильника с размерами.
Люстры будут обозначаться значком бОльшего размера.
Таким образом обозначаются точечные встроенные или накладные светильники. Иногда круг внутри может быть не закрашен, что обозначает простой светильник, а закрашенный может обозначать влагоустойчивый. Соответственно, он будет располагаться в ванной комнате. Но вся эта информация должна быть указана в сноске рядом с чертежом.
Так обозначаются бра. К ним должны быть сноски с указанием высоты светильника.
Штрихпунктирной линией указывается путь, где предполагается скрытая подсветка. К ней также должна вестись выноска с указанием для чего будет подсветка. Например, для шкафов или скрытая для штор, или просто где-то в конструкции стен, потолка или мебели. И высота расположения электро-вывода.
Заметка:
Следите за тем, чтобы подвес, например, около кровати, не врезался в стену. Проверьте его диаметр.
ПЛАН ПОЛА.
Нужен будет, если в проекте предусмотрены разные виды напольных поверхностей, или перепад высот (ступень).
На схеме должны быть указаны высоты и размеры, где будет проходить линия укладки плитки, а где, например, будет уложен паркет. И приложена таблица, в которой будет расписано название материала с его размерами. Плюс, конечно вам должны быть предоставлены ссылки на выбранный материал.
Стрелочками указывается место начала укладки плитки, эта информация больше создана для строителей.
ПЛАН ПОТОЛКА.
Вам понадобится для понимания расположения любых сложных конструкций, которые должны быть указаны на чертеже. Если где-то есть перепад высот, или ниша со скрытой подсветкой, если есть балки, вентиляция.
В таблице указывается цвет и пояснение к чертежу. А также указаны отдельные схемы, как будет создана та или иная ниша. Плюс размеры, где будут проходить перепады или углубления в потолке.
РАЗВЕРТКИ.
Это схематические чертежи стен. Все профессиональные дизайнеры создают развертки каждой комнаты, где наглядно показаны некоторые предметы мебели, указана покраска, обои или тип покрывающей поверхности. Здесь наглядно видны высоты – расположение картин, декора, бра, электрооборудования, расположения шкафов, полок и тд. Указаны размеры, виды покрытий и тд.
На этом всё, если у вас есть дополнения, если я где-то что-то забыла, буду рада комментариям или личным сообщениям, чтобы дополнить статью.
Создать чертеж с размерами
Вы далеки от профессии инженера и Вас очень волнует вопрос: как нарисовать чертёж?
Представляем CAD.Model-R-Group.ru – удобную онлайн чертилку CAD
В мире известны несколько способов, как нарисовать чертёж. Перечислим некоторые из них:
возможно, сделать чертёж самому и не будет самым легким способом. Но, если убить выходные и обложиться учебниками, то есть надежда справиться самостоятельно – вспоминая курс школьного черчения (в случае, если требуется сделать простой чертёж) или начертательной вузовской геометрии (если требуется выполнить задачу посложнее).
нарисовать чертёж от руки могут практически все. Вот только проблема в том, что он будет больше похож на схему или рисунок;
но если вы хоть немного разбираетесь в специализированных компьютерных программах, то смело можете попытаться сделать чертёж онлайн и даже –
сделать чертёж в специализированных чертёжных программах — но это уже для продвинутого уровня, инженеров или дизайнеров, например, имеющих не только амбиции и интерес, но и специальное образование;
наконец, вы можете плюнуть на все вышеперечисленные способы и мнимую экономию и решиться на простой и самый эффективный шаг: заказать изготовление чертежей! Перепробовав всевозможные способы решить проблему выполнения чертежей самостоятельно, вы увидите, что это самый лучший и надёжный способ.
Сделать чертеж онлайн
Итак, «Да здравствуют профессионалы и ветераны умственного труда!» – как сказал бы Великий комбинатор.
Компания «Модельер» разработала удобную и эффективную онлайн-чертилку (online-чертилку), в которой. приготовьтесь! . можно сделать чертёж онлайн совершенно бесплатно! Теперь не нужно ни покупать или скачивать программ, ни умолять друга помочь вам с установкой их на компьютер. Все это в прошлом.
Программа online-чертилка от компании «Модельер» — вот ваш ответ вызовам инженерного мира! Она предназначена для выполнения всех видов чертежей, в том числе — и для станков с ЧПУ 1 к 1!
Сделать чертеж, программа
В современном мире, кстати, программы для выполнения чертежей — далеко не редкость. С такими программами мечта освоить мастерство инженера и сделать чертеж самостоятельно станет, наконец, реальностью.
И не просто самостоятельно!
Скажем больше: с их помощью легко сделать чертеж онлайн самому. А уж если быть окончательно точным, – то программы позволяют сделать чертеж онлайн бесплатно самому — тебе, пусть даже и не самому умному и гениальному.
Кстати, о программах. Они бывают онлайновые и десктопные. Оставим в покое онлайновые — о них позже, поговорим о десктопных. Самые известные из них:
Освоив эти программы, умение сделать чертеж самостоятельно онлайн становится похожим на детскую забаву. Назовем те программы, которые известны нашей компании:
- Модельер CAD — бесплатная онлайн чертилка для выполнения чертежей.
- Onshape — мощное онлайн предложение для выполнения широкого круга инженерных задач. Прайс от $125 в месяц .
Необходимость начертить простую схему или большой план может возникнуть у любого пользователя. Обычно подобная работа выполняется в специальных САПР-программах вроде AutoCAD, FreeCAD, КОМПАС-3D или NanoCAD. Но если вы не профильный специалист в области проектирования и чертежи создаете довольно редко, зачем устанавливать лишний софт на свой ПК? Для этого можно использовать соответствующие онлайн-сервисы, о которых и пойдет речь в этой статье.
Рисуем чертеж онлайн
В сети имеется не так много веб-ресурсов для черчения и наиболее продвинутые из них предлагают свои услуги за определенную плату. Тем не менее все же есть хорошие онлайн-сервисы для проектирования — удобные и с широким набором возможностей. Именно такие инструменты будут рассмотрены нами ниже.
Способ 1: Draw.io
Один из лучших среди САПР-ресурсов, выполненный в стиле веб-приложений Google. Сервис позволяет работать со схемами, диаграммами, графиками, таблицами и другими структурами. Draw.io содержит огромное количество функций и продуман до мелочей. Здесь вы можете создавать даже сложные многостраничные проекты с бесконечным числом элементов.
- Первым делом, конечно же, по желанию, вы можете перейти на русскоязычный интерфейс. Для этого щелкните по ссылке «Language», после чего в открывшемся списке выберите пункт «Русский».
Затем выполните перезагрузку страницы, воспользовавшись клавишей «F5» или соответствующей кнопкой в браузере.
Далее следует выбрать, куда вы намерены сохранять готовые чертежи. Если это Google Диск или облако OneDrive, придется авторизовать соответствующий сервис в Draw.io.
В ином случае щелкните по кнопке «Это устройство», чтобы использовать для экспорта жесткий диск вашего компьютера.
Для начала работы с новым чертежом, нажмите «Создать новую диаграмму».
Щелкните по кнопке «Пустая диаграмма», чтобы приступить к черчению «с нуля» либо выберите желаемый шаблон из списка. Здесь же вы можете указать имя будущего файла. Определившись с подходящим вариантом, нажмите «Создать» в нижнем правом углу всплывающего окна.
Все необходимые графические элементы доступны в левой области веб-редактора. В панели же справа вы можете подробно настраивать свойства каждого объекта на чертеже.
Чтобы сохранить готовый чертеж в формате XML, перейдите в меню «Файл» и щелкните «Сохранить» либо воспользуйтесь комбинацией клавиш «Ctrl + S».
Кроме того, вы можете сохранить документ в качестве картинки или файла с расширением PDF. Для этого перейдите в «Файл» — «Экспортировать как» и выберите желаемый формат.
Укажите параметры итогового файла во всплывающем окне и нажмите «Экспортировать».
Вам опять же будет предложено ввести имя готового документа и выбрать один из конечных пунктов экспорта. Чтобы сохранить чертеж на компьютер, щелкните по кнопке «Это устройство» или «Скачать». После этого ваш браузер сразу приступит к загрузке файла.
Так, если вы пользовались каким-либо офисным веб-продуктом Google, разобраться в интерфейсе и расположении необходимых элементов этого ресурса для вас не должно составить труда. Draw.io отлично справится как с созданием простых набросков с последующим экспортом в профессиональную программу, так и с полноценной работой над проектом.
Способ 2: Knin
Этот сервис довольно специфичный. Он предназначен для работы с техническими планами строительных объектов и собрал в себе все нужные графические шаблоны для практичного и удобного создания общих чертежей помещений.
- Для начала работы с проектом укажите параметры описываемой комнаты, а именно ее длину и ширину. Затем нажмите на кнопку «Создать».
Таким же образом вы можете добавлять к проекту все новые и новые комнаты. Чтобы приступить к дальнейшему созданию чертежа, кликните «Продолжить».
Нажмите «Ок» в диалоговом окне, чтобы подтвердить выполнение операции.
Добавляйте на схему стены, двери, окна и объекты интерьера с помощью соответствующих элементов интерфейса. Схожим образом можно накладывать на план различные надписи и половое покрытие — плитку или паркет.
Чтобы перейти к экспорту проекта на компьютер, щелкните по кнопке «Сохранить» в нижней части веб-редактора.
Обязательно укажите адрес проектируемого объекта и его общую площадь в квадратных метрах. Затем нажмите «Ок». Готовый план помещения будет скачан на ваш ПК в качестве картинки с расширением файла PNG.
Да, инструмент не самый функциональный, но содержит все необходимые возможности для создания качественного плана строительного объекта.
Как видите, вы можете работать с чертежами прямо в своем браузере — без использования дополнительного ПО. Конечно, описанные решения в целом уступают десктопным аналогам, но, опять же, на их полноценную замену они и не претендуют.
Отблагодарите автора, поделитесь статьей в социальных сетях.
Пользователям, имеющим дело с системами автоматизированного проектирования и черчения (например, AutoCad ), может понадобиться создание цифрового чертежа на компьютере, на котором не установлена ни одна из соответствующих программ. Что же делать в такой ситуации? Рекомендую воспользоваться набором сетевых сервисов, позволяющих чертить онлайн и бесплатно без необходимости устанавливать какой-либо стационарный софт на вашем ПК. В данном материале я расскажу, как воспользоваться Автокад онлайн, какие сетевые сервисы нам помогут, и как ими воспользоваться.
Редактируем автокад онлайн
Список топ-сервисов для работы с Автокад онлайн
Сразу замечу, что годами ранее существовавшая возможность запустить Автокад в режиме онлайн на сайте Autodesk.com (в форме известного AutoCAD WS), а далее пользоваться сетевым функционалом «Автокад» при создании 2D и 3D моделей ныне не доступна (имеется только мобильная версия AutoCAD WS для гаджетов). Потому рекомендую воспользоваться альтернативными, перечисленными ниже, сетевыми сервисами, позволяющими выполнить черчение онлайн.
Тем пользователям, кто просто хочет просмотреть уже имеющийся DWG-файл. Рекомендую список онлайн-сервисов для просмотра DWG-файлов, который уже был описан на нашем сайте Sdelaicomp.ru.
LibreCad — это сервис для двумерного проектирования и черчения
Среди богатства возможностей ресурса rollap.com имеется сервис, позволяющий создавать чертежи онлайн. Речь идёт о LibreCad – довольно удобном инструменте, позволяющим проводить 2Д черчение для профессиональных целей. Сервис позволяет работать с SVG, JPG, PNG, PDF файлами, чертить с помощью мышки и клавиатуры, использовать слои, блоки, сплайны, полилинии, имеет функцию текстового редактора и так далее.
- Для работы с LibreCad перейдите по указанной выше ссылке, и нажмите на кнопку «Launch online» (запуск онлайн).
- Сервис предложит вам выбрать язык (найдите и выберите «русский») и меру длины (миллиметр).
- После определения настроек откроется рабочее окно, где вы сможете создать и отредактировать ваш чертёж с помощью соответствующего инструментария.
- Для сохранения полученного результата необходимо подключение к облачным сервисам (Dropbox, Google Drive, OneDrive или Box), сохранение результата туда, а уже оттуда вы можете скачать ваш чертёж к себе на ПК.
Рабочее окно LibreCad
Tinkercad — редактирует инженерные и строительные чертежи, схемы и планы
Сервис Tinkercad – это полезный сетевой сервис для 3Д-проектирования и печати, функционал которого доступен пользователям абсолютно бесплатно. Ресурс позиционируется как удобный инструмент для 3Д-моделирования, работать с ним могут даже новички, выполнять черчение онлайн здесь легко и удобно.
- Для работы с Tinkercad перейдите на него, нажмите на кнопку «Начать творить».
- Укажите свою страну и дату рождения, и пройдите простейшую регистрацию (можно использовать данные своего аккаунта в Фейсбук).
- Затем нажмите на кнопку «Создать новый проект», и вы перейдёте в окно создания и редактирования.
- Для загрузки и сохранения файлов существуют кнопки «Импорт» и «Экспорт», позволяющие как загрузить, так и сохранить уже созданный вами чертёж.
Рабочее окно Tinkercad
Onshape позволяет работать с файлами .dwg
Англоязычный онлайн-сервис Onshape предлагает профессиональные решения для проектирования и создания чертежей в системе 3D-cad. К сожалению, бесплатный функционал сайта ограничен 21 днём бесплатного пользования, далее же за возможность создавать чертежи онлайн с помощью Onshape необходимо будет платить «живые» деньги.
Для работы с Onshape перейдите на данный ресурс, нажмите на кнопку «I WANT TO TRY ONSHAPE» (если такой кнопки нет, просто перезагрузите главную страницу сайта).
- Пройдите расширенную регистрацию для работы с AutoCAD онлайн, и вы окажетесь в окне создания и редактирования чертежей.
- Для создания нового чертежа нажмите на «Create» (создать), укажите имя документа.
- Выберите уровень доступа к нему («Private» — личный, «Public» — общедоступный) и нажмите на «Ок».
- Для сохранения вашего чертежа кликните правой клавишей мыши на закладке вашего файла внизу.
- Выберите «Export», определитесь с форматом исходящего файла, укажите «Download» и нажмите на «Ок».
Рабочее окно сервиса Onshape
Упрощённые сервисы для работы с AutoCAD
Также для осуществления черчения онлайн могут помочь такие сервисы как drawisland.com и sketch.io. Функционал указанных сервисов довольно прост, и может пригодиться, скорее, для развлекательных и бытовых целей, нежели для профессионального черчения.
Рабочее окно сервиса Drawisland
Заключение
Для реализации возможностей Автокад онлайн рекомендую воспользоваться сервисами, указанными в данной статье. Они помогут бесплатно осуществить 2Д и 3Д черчение онлайн, обладают довольно обширным функционалом, включая возможность сохранения полученных результатов в облако и на жёсткий диск вашего ПК. Если у вас возникла насущная необходимость создания чертежа, и стационарной программы под рукой не оказалось, тогда рекомендую присмотреться к указанным выше ресурсам, они могут стать удобными онлайн-заменителями популярной стационарной программы AutoCad.
Научитесь рисовать в трехмерном пространстве
Рисовать в трехмерном пространстве означает представлять объекты в пространстве. Их объемность узнаваема на бумаге с помощью специальной техники рисования. Таким образом, объект рисунка выглядит реалистично, а его форма легко узнаваема. В этом уроке я покажу вам несколько приемов, чтобы научиться рисовать трехмерные объекты.
Чтобы начать рисовать 3D, лучше всего проявить чувство пространственного представления и пластичности, наблюдая и рисуя объекты простой геометрии.Любой, кто имеет немного практики, может попытаться найти более сложные объекты неправильной формы.
Упражнение — Обучение трехмерному рисованию
Первое и довольно простое упражнение — нарисовать мяч или другой простой круглый предмет. Сфера особенно подходит в качестве интуитивно понятного и практичного мотива, поскольку ее трехмерная форма оптически определяется только тенями.
Сначала на бумаге печатается контур шара, то есть круг. Незакрашенный круг еще не появляется пластически без графически иллюстрированного падения света и тени.С таким же успехом это мог быть кусок. Сфера визуализируется пластически с помощью небольшого усилия рисования.
Как нарисовать трехмерный мяч можно увидеть на картинке ниже на цветном примере.
Трехмерное изображение сферы
При рисовании шар или цилиндр особенно подходят для игры и экспериментов со светом и тенью. Нюансы и вариации возникают из-за разной яркости или разного расположения источников света. Такие упражнения оттачивают взгляд на тонкости и в игровой форме показывают многие важные аспекты пространственного рисунка и живописи.
Упражнение для трехмерного рисования с помощью цилиндра
Научитесь рисовать пластически: полезные советы
Чтобы чертеж выглядел не только пластично, но и осязаемым и естественным, три fa
Габаритный чертеж ▷ Испанский перевод
Габаритный чертеж ▷ Испанский перевод — Примеры использования Габаритный чертеж в предложении на английском языкеDibujos Dimensions
Правильный тип масла и вязкость указаны на габаритном чертеже . Типо-де-aceite и la viscosidad correctiveos se indica en los dibujos sizes .| Фитинги Valco | Рев. | |
|---|---|---|
| Гайки и наконечники | Внутренние гайки | 31.08.06 |
| Феррулы | 6/10/10 | |
| Внутренние переходные манжеты | 3/5/10 | |
| Наружные гайки, нержавеющая сталь | 20.12.05 | |
| Наружные гайки, полимерные | 20.12.05 | |
| Заглушки и заглушки | Заглушки стандартные и высокого давления | 14.05.09 |
| Колпачки | 1/7/13 | |
| Тройники и крестовины | Тройники общие | 15.12.05 |
| Тройник, 1/32 «нержавеющая сталь | 28.08.15 | |
| Крестовины | 19.12.05 | |
| Тройник Microvolume, металл | 15.09.06 | |
| Тройник микрообъемный, полимерный | 15.09.06 | |
| Реакционный тройник колонны | 27.04.12 | |
| Реакционный тройник колонны, от 1/16 «до 1/32» | 01.05.12 | |
| Коллекторы | 1/16 » | 15.07.19 |
| 1/8 » | 19.04.06 | |
| Переходники трубы коллектора | 01.05.06 | |
| Союзы | Внутренний, стандартный | 14.12.05 |
| Внутренняя, переборка | 15.01.09 | |
| Внешний, стандартный и переборка | 16.01.09 | |
| Внешний / внутренний, стандартный и переборка | 19.01.09 | |
| 1/32 «Внешний, малая масса | 03.08.06 | |
| Переходные муфты | Внутренний, стандартный | 27.03.06 |
| Внутренняя, переборка | 20.01.09 | |
| Внешний, стандартный и переборка | 15.01.09 | |
| Внешний / внутренний, перегородка | 19.01.09 | |
| Внутренний / внешний | 15.12.05 | |
| Внутренний / внешний, от 1/16 «до 1/32» | 20.01.09 | |
| Концевые фитинги колонн | Внешний | 21.01.08 |
| Внутренний | 11.02.08 | |
| Реакционный тройник колонны | 27.04.12 | |
| Реакционный тройник колонны, от 1/16 «до 1/32» | 01.05.12 | |
| Система предколонок, 1/4 «x 2 см | 23.03.10 | |
| Система предколонок, 1/4 «x 5 см | 23.03.10 | |
| Фильтры | Перегородка, съемный экран | 20.01.09 |
| Стандарт, съемная фритта или экран | 07.09.06 | |
| Адаптеры | Внутренние переходники, 1/16 «- 1/4» | 12.05.05 |
| Внутренние переходники, 1/16 «или 1/32» на 360 микрон | 08.10.12 | |
| Труба с наружной и внутренней резьбой по ЗДВ | 09.01.06 | |
| Труба с наружной и внутренней резьбой к Valco external | 19.09.07 | |
| Адаптеры шприца | 6/10/10 | |
| Порты заполнения с нулевым мертвым объемом, 1/16 дюйма | 09.04.10 | |
| Порты заполнения с нулевым мертвым объемом, 1/16 дюйма | 8 апреля 2010 г. | |
| Гайка форсунки септы | 22.01.10 | |
| 1/8 «снаружи уплотнительного кольца, резьба 10-32 или 5 / 16-24 | 22.06.06 | |
| 1/16 дюйма внутри для уплотнительного кольца, резьба 10-32 | 30.08.10 | |
| 1/16 «или 1/8» внутри уплотнительного кольца, резьба 5 / 16-24 | 30.08.10 | |
| Переходники из плавленого кварца, цельные, 1/16 » | 22.01.10 | |
Лучшая цена на габаритные чертежи — Отличные предложения на габаритные чертежи от мировых продавцов габаритных чертежей
Отличные новости !!! Вы находитесь в нужном месте для размерного черчения.К настоящему времени вы уже знаете, что что бы вы ни искали, вы обязательно найдете это на AliExpress. У нас буквально тысячи отличных продуктов во всех товарных категориях. Ищете ли вы товары высокого класса или дешевые и недорогие оптовые закупки, мы гарантируем, что он есть на AliExpress.
Вы найдете официальные магазины торговых марок наряду с небольшими независимыми продавцами со скидками, каждый из которых предлагает быструю доставку и надежные, а также удобные и безопасные способы оплаты, независимо от того, сколько вы решите потратить.
AliExpress никогда не уступит по выбору, качеству и цене. Каждый день вы будете находить новые онлайн-предложения, скидки в магазинах и возможность сэкономить еще больше, собирая купоны. Но вам, возможно, придется действовать быстро, так как этот крупномерный рисунок в кратчайшие сроки станет одним из самых востребованных бестселлеров. Подумайте, как вам будут завидовать друзья, когда вы скажете им, что получили свой размерный рисунок на AliExpress.Благодаря самым низким ценам в Интернете, дешевым тарифам на доставку и возможности получения на месте вы можете еще больше сэкономить.
Если вы все еще не уверены в габаритных чертежах и думаете о выборе аналогичного товара, AliExpress — отличное место для сравнения цен и продавцов. Мы поможем вам разобраться, стоит ли доплачивать за высококачественную версию или вы получаете столь же выгодную сделку, приобретая более дешевую вещь.И, если вы просто хотите побаловать себя и потратиться на самую дорогую версию, AliExpress всегда позаботится о том, чтобы вы могли получить лучшую цену за свои деньги, даже сообщая вам, когда вам будет лучше дождаться начала рекламной акции. и ожидаемая экономия.AliExpress гордится тем, что у вас всегда есть осознанный выбор при покупке в одном из сотен магазинов и продавцов на нашей платформе. Реальные покупатели оценивают качество обслуживания, цену и качество каждого магазина и продавца.Кроме того, вы можете узнать рейтинги магазина или отдельных продавцов, а также сравнить цены, доставку и скидки на один и тот же продукт, прочитав комментарии и отзывы, оставленные пользователями. Каждая покупка имеет звездный рейтинг и часто имеет комментарии, оставленные предыдущими клиентами, описывающими их опыт транзакций, поэтому вы можете покупать с уверенностью каждый раз. Короче говоря, вам не нужно верить нам на слово — просто слушайте миллионы наших довольных клиентов.
А если вы новичок на AliExpress, мы откроем вам секрет.Непосредственно перед тем, как вы нажмете «купить сейчас» в процессе транзакции, найдите время, чтобы проверить купоны — и вы сэкономите еще больше. Вы можете найти купоны магазина, купоны AliExpress или собирать купоны каждый день, играя в игры в приложении AliExpress. Вместе с бесплатной доставкой, которую предлагают большинство продавцов на нашем сайте, вы сможете приобрести размерный чертеж по самой выгодной цене.
У нас всегда есть новейшие технологии, новейшие тенденции и самые обсуждаемые лейблы.На AliExpress отличное качество, цена и сервис всегда в стандартной комплектации. Начните самый лучший шоппинг прямо здесь.
3-мерный чертеж pdf Скачать бесплатно для Windows
ABC-Ware 24 Условно-бесплатное ПО
Простая в использовании программа с уроками рисования.
5 Рисование Ручной Работы 58 Условно-бесплатное ПО
Заставка показывает руку художника, рисующего животных, людей, машины и многое другое.
5 Программное обеспечение PY 325 Условно-бесплатное ПО
Визуальный инструмент для быстрого и простого создания веб-страниц.
3 Бесплатное решение для PDF 5 671 Бесплатное ПО
Это приложение представляет собой решение для преобразования PDF-файлов в документы Word.
2 Решение в формате A-PDF 134 Условно-бесплатное ПО
Изображение A-PDF в PDF — это конвертер, который выводит файлы PDF.
1 A-PDF Inc. 89 Условно-бесплатное ПО
A-PDF AutoCAD в PDF — это быстрая утилита, позволяющая выполнять пакетное преобразование.
3 PDF Bean Inc. 375 Условно-бесплатное ПО
Это программное обеспечение позволяет конвертировать файлы PDF в различные форматы.
Джон Гиллам 26 Условно-бесплатное ПО
В программе возможна анимация нескольких типов рисунков.
70 deskDOC Software Inc. 683 Условно-бесплатное ПО
Идеальный конвертер DWG в PDF для бизнеса.
ЛЕДАС ООО 1 Бесплатное ПО
— это программа, поддерживающая двухмерное параметрическое построение эскизов / рисование в САПР.
.Конвертер JPG в .PDF Условно-бесплатное ПО
Конвертер .JPG в .PDF конвертирует пакетные изображения изображений, рисования фотографий в PDF.
80 iCADsales.com 46
AutoCAD DWG для просмотра чертежей с разметкой, черчением, рендерингом и выводом в PDF!
1 Anyscale Ltd 3 Условно-бесплатное ПО
Сделайте оценки на основе любого чертежа, сохраненного в формате PDF.
Кадманго 1 Условно-бесплатное ПО
Изображения сцен Sketchup, листы чертежей pdf и галереи распространения файлов в Интернете.
1 Пол Венур 93 Открытый источник
Программа может векторизовать и вставить PDF в открытый чертеж.
Мирек Войтович 19 Бесплатное ПО
Предназначен для работы одномерных и двумерных клеточных автоматов.
1 AeroRocket 2 Коммерческий
VisualCFD — «настоящая» трехмерная осесимметричная и двухмерная программа CFD.
1 Awpersoft-Son Nguyen 29 Условно-бесплатное ПО
Преобразуйте ваши любимые двухмерные видео и фильмы в трехмерные видео.
9 Демлог PROfirst Group 105 Коммерческий
Эффективный пакет для рисования, специально разработанный для рисования 2D-металлических деталей.
Характеристики: Габаритный чертеж: Спецификация формы:
1 Особенности: Высокая эффективность; Надежный и прочный; Сам продукт останется в соответствии с требованиями ROHS; Серия специально разработана для приложений, требующих более высокой яркости; Светодиодные лампы доступны в различных цветах и яркости; Габаритный чертеж: в миллиметрах. Допуск ± 0.25 мм (0,10), если иное не указано. Спецификация формы: № ПУНКТ СПЕЦИФИКАЦИИ ИЛИ ОПИСАНИЕ отмечено Все размеры без изменения цвета Нет неисправности Царапина на линзе (длина 2,0 мм, ширина 0,25 мм) макула (0,25 мм и 2 шт. В инкапсулированной обратной стороне) пузырь / 氣泡 (0,3 мм и инкапсуляция 2EA, обратная сторона) Без нижнего изгиба PIN-код Без окисления Без электрополярного реверса Конфигурация Без инкапсуляции обратный Без PIN-кода ослабление подготовки поверхности Обрезать гальваническую пластину без необходимости
2 Оптоэлектронные характеристики: прямой ток светодиодного чипа по сравнению спрямое напряжение светодиодный чип Максимальный прямой ток в зависимости от температуры окружающей среды Угол освещения Абсолютные максимальные характеристики: Параметр Символ Значение Единица Прямой ток Обратное напряжение Рабочая температура Температура хранения Температура пайки Рассеиваемая мощность Импульсный ток Если 20 мА Vr 5 В Topr Tstg Tsol 260 ± 5 (for4sec) Pd R = 40 мВт G / B = 60 I FP 100 мА
3 Оптоэлектронные характеристики: Параметр Обозначение Цвет Мин. Тип Макс. Ед. Допуск Испытание Условия в прямом направлении R Напряжение Vf G V ± 0.05V B Световой поток R Интенсивность Доминирующая длина волны IV λd GBRG мкд нм ± 10 мкд ± 2 нм IF прямой ток = 20 мА Температура испытания = 25 B Угол освещения Обратный ток θ / град ± 2 ИК / мкА ± 0,1 мкА Vr = 5 В Спецификация оптоэлектронной классификации : Прямой световой доминантный хроматический ток Условия испытания Интенсивность напряжения Длина волны XY / / / / / ЕСЛИ прямой ток = 60 мА Температура испытания = 25 Пункты проверки надежности: № Элемент Состояние Время / цикл Количество поврежденных 1. Тепловое испытание пайки 260 ± 5 o C 10 сек 0/60 2 Тепловой удар 0 o C (15 секунд) ~ 100 oc (15 секунд) 20 циклов 0/60 3 High Temp.Хранение 100 o C 1000 часов 0/60 4 Low Temp. Хранение -40 o C 1000 часов 0/60 5 Тест цикла температур -40 o C ~ 80 o C 100 циклов, 200 часов 0/60 6 Высокая температура. Испытание на высокую влажность 60 o C, относительная влажность 90% 1000 часов 0/60 7 Испытание на срок службы 1, комнатная температура, 20 мА 1000 часов 0/60 8 Испытание на срок службы 2, комнатная температура, 30 мА 500 часов 0/60 Испытание на срок службы 85 o C, 5 мА 1000 часов 0/60 10 Низкая температура. Испытание на срок эксплуатации -30 o C, 20 мА 1000 часов 0/60
4 Критерии оценки: Позиция Символ Условия испытаний Критерии оценки Прямое напряжение Vf IF = 20 мА Δ% <10% Ток утечки Ir Vr = 5V <20 мкА Сила света Iv IF = 20 мА Δ% <20% Световой поток lm IF = 20 ma Δ% <20% Внимание: 1 После вскрытия упаковки светодиод должен находиться при температуре 25 o C, относительной влажности 65% или ниже.2 Светодиод должен быть припаян в течение 48 часов (2 дней) после вскрытия упаковки. 3 Светодиод LAMP является чувствительным к электростатическому разряду устройством. Все оборудование и машины должны быть правильно заземлены. 4 при его использовании используйте антистатический контейнер, выставленную на показ антистатическую одежду оператора и веревочное кольцо также должны обеспечивать эффективное заземление. 5 Поврежденное устройство проявляет некоторые симптомы, более низкое прямое напряжение, более высокий ток утечки или даже короткое замыкание. 6 Непригоден для кольцевой пайки 7 пайки феррохромом: мощность не должна превышать 40 Вт, температура наконечника не должна превышать 280 ° C, время пайки в пределах 3 секунд, положение сварки и линза должны сохранять 1.Расстояние 6 мм минимум 8-волновая пайка: температура не должна превышать 265 o C, время пайки в течение 5 секунд, положение сварки и линза должны находиться на расстоянии не менее 1,6 мм. 9 После пайки светодиод не должен допускать сотрясения или внешнего воздействия перед ним прийти в нормальное состояние. 10, когда профилированный штифт должен использоваться клещами или профессиональным персоналом, оставьте не менее 2 мм между линзой и изогнутым штифтом, штифт должен иметь форму перед пайкой. 11 штифт нельзя нажимать при высокой температуре, разрезайте штифт при комнатной температуре, потому что в высокотемпературный светодиод может выйти из строя 12 из-за формы, пространство для контактов должно соответствовать пространству на печатной плате 13 Светодиод имеет одностороннюю непрерывность, пожалуйста, проверьте электрод перед установкой, если количество неправильное, светодиодный чип повредит или выйдет из строя при подаче напряжения на светодиод 14 Обычный наш светодиод: длинный штырь - анод, штифт - катод, линза без зазора - анод, с зазором - катод.если иное не требуется и примечание 15, пожалуйста, сконструируйте печатную плату так, чтобы расстояние между светодиодами и другим излучающим тепло компонентом 16, настоятельно рекомендуется спроектировать плату в соответствии с заданным током, отличным от заданного напряжения.
5 типа напряжения учтите, что это может вызвать влияние разницы напряжений светодиода разницы. 17 изменение внешнего напряжения приведет к изменению индекса тока.неподходящая конструкция и контроль тока, легкая причина отказа светодиода. например, избыточный ток приведет к сокращению срока службы светодиода или даже к его перегоранию, слишком мало электричества вызовет недостаток света. 18 Если вам нужно изменить светодиодный индикатор BIN в одном модуле. Пожалуйста, подтвердите, соответствует ли он требованиям к электрическим и оптическим характеристикам, таким как баланс тока, уровень излучения и постоянство яркости.
6
7
8
.
1-2002, статья 3.1]
Размерные линии проводят параллельно объекту, размер которого указывают.